Ленточный фундамент: плюсы и минусы
Сам процесс сооружения ленточного фундамента заключается в выкапывании траншеи, которая представляет собой ленту, располагающуюся либо только по периметру будущего здания, либо дополненную под местами установки несущих стен. В зависимости от разновидности ленточного фундамента, его возведение проводят либо с помощью цементной смеси, либо блоков.
Если в будущем доме предполагается наличие подвала или погреба, то для возведения подойдет именно ленточная разновидность опоры, в сравнении с монолитным основанием. Ленточное основание считается традиционным в европейской части Российской Федерации.

Ленточная разновидность опоры для дома обеспечивает удобство в процессе прокладки различных коммуникаций, а также свободный доступ при необходимости провести ремонт таковых. Конструкция фундамента обладает высокой жесткостью, что сводит к минимуму требования к процессу проведения армирования. Бывают случаи, когда в процессе сооружения ленточной конструкции фундамента армирование не используют и, несмотря на это, сооружение служит несколько десятков лет.
Что касается недостатков такого типа основания, то они следующие:
- Для создания полноценной прочной конструкции требуется большое количество материалов, в некоторых случаях материалоёмкость выше плитной разновидности.
- Необходимость использования дополнительных материалов для сооружения опалубки (дерево и рубероид).
- Конструкция ленточного основания предполагает его прокладку только под стенами сооружения или по его периметру, при этом пространство внутри дома остается пустым. В процессе создания пола необходимо прибегать к использованию дополнительных конструкций (пол на лагах, заливка монолитной стяжки поверх насыпной поверхности и другие варианты).
- Несмотря на достаточную простоту процессов сооружения такого фундамента, для создания надежной и устойчивой опоры потребуются большие затраты средств и времени. И это не зависит от того, возводится мелкозаглубленная разновидность ленточного фундамента или вид с заглублением ниже уровня промерзания.
Плюсы и минусы
Цоколь фундамента делают из двух материалов — из бетона и при помощи бетонной кладки. При этом бетонный цоколь имеет неоспоримые преимущества:
- быстрое возведение монолитной конструкции;
- бесшовная поверхность отличается высокой прочностью, благодаря чему выдерживает значительные нагрузки;
- может принимать любую форму, из-за чего подходит для зданий нестандартных форм;
- допускается возведение построек из любых материалов;
- длительный срок эксплуатации;
- легко выполняется отделка;
- при правильном выборе и установке гидроизоляции серьезно повышается устойчивость к влаге.
Обеспечивается недостаточная теплоизоляция самого материала, так как бетон обладает высокой теплопроводностью. Арматура дает дополнительные мостики холода. Проблема решается, если правильно утеплитель цоколь.
Особенности конструкции основания
Фундамент ленточный монолитный железобетонный имеет простую и надёжную конструкцию. Обязательное условие его долговечности – наличие обустроенной согласно всем правилам подушки из песка и гравия. Эта подушка будет перераспределять нагрузки от постройки на грунт, выполнять роль демпфера при морозных пучениях. Зачастую монолитный фундамент – единственно возможный вариант обустройства основания. Его сооружают на сыпучих, нестабильных, глинистых грунтах, почвах со значительной глубиной промерзания.
Монолитная фундаментная плита изготавливается с применением значительных объёмов бетона и арматуры. Марка бетона должна быть высокой – не менее В30, поскольку армируется, а потом бетонируется вся площадь здания. В большинстве случаев готовая конструкция в силу своей масштабности стоит немало, но точно нужно считать – многое зависит от особенностей конкретного участка, затрачиваемых материалов. В некоторых случаях монолитный фундамент будет даже дешевле, чем глубокий ленточный (благодаря уменьшенному объёму земляных работ, экономии на бетонной заливке).
Так выглядит армирующая фундамент сетка5375414102316428Источник логосвая.рф
Глубина заложения монолитного основания зависит от веса постройки, типа грунтов. Когда степень заглубления незначительное, а почвы пучинистые, дом вместе с основой будет опускаться и подниматься
Важно правильно рассчитать оптимальную толщину плиты и армирующий слой, чтобы текущие параметры не влияли на целостность готовой постройки. Плита компенсирует вероятные изменения за счёт действия силы упругости. Весной, когда грунт начнёт таять, дом сядет на место
Весной, когда грунт начнёт таять, дом сядет на место.
Способы вязки арматуры для монолитной плиты

В монолитной плите фундамента при эксплуатации наблюдаются сжимающие и растягивающие усилия. Если с первыми бетон легко справляется самостоятельно, то для компенсации растяжения необходимо использовать арматуру. Этот конструкционный материал повышает прочность растяжения плитного основания в 10 раз.
Начинающие застройщики не всегда имеют правильное представление, какая арматура нужна для монолитной плиты. Планируя выполнить сборку арматурной решетки, следует ознакомиться с требованиями государственного стандарта.
Он классифицирует арматурные стержни следующим образом:
- стержни с маркировкой А1, которые в соответствии с прежней классификацией обозначались А240, отличаются гладкой поверхностью;
- прутки класса А2, соответствующие бывшей маркировке А300, имеют незначительные изменения профиля в поперечном сечении;
- арматура с индексом A3 («рифленка»), которая ранее классифицировалась как А400, отличается профилем переменного сечения.
Для обеспечения надежной фиксации стержней следует применять арматуру с рифлениями. Диаметр арматурных прутков в поперечном сечении выбирается в интервале от 1 до 1,4 см в соответствии с предварительно разработанным эскизом.Чертеж арматурной решетки и все необходимые расчеты следует поручить специалистам, которые учтут все нагрузки на плиту и предусмотрят усиление проблемных участков с учетом процента армирования для конкретной марки бетона.
Для армирования применяют ребристую арматуру диаметром 12-16 мм, что обеспечивает лучшее сцепление
Готовясь своими руками осуществить вязку арматурных стержней, следует выполнить подготовительные мероприятия:
- Рассчитать величину усилий, которые будут действовать на фундаментную основу. Это сложная задача, решение которой целесообразно доверить профессионалам.
- Подобрать марку арматурной проволоки и определить размер стержней в поперечном сечении.От класса и диаметра стержней зависит предельно допустимый угол их изгиба.
- Определить количество проволоки для сборки каркаса, а также рассчитать потребность в арматуре. При определении потребности следует руководствоваться схемой вязки.
- Определиться со способом выполнения вязальных операций.Следует своевременно подготовить соответствующий инструмент, а также проволоку для вязания.
Общий порядок действий предусматривает выполнение следующих операций:
- Определение потребности в арматуре.
- Приобретение материала в необходимом количестве.
- Нарезка арматурных заготовок.
- Изготовление подставок.
- Монтаж продольных стержней нижнего яруса.
- Закрепление поперечных прутков на нижней сетке.
- Установка арматурных стоек.
- Привязывание к опорам элементов верхнего уровня.
Вязка необходима лишь в момент заливки, внутри бетонной конструкции после ее отвердевания она не несет никакой нагрузки

При выполнении работ следует обратить внимание на ряд моментов:
- обеспечение минимальной величины защитного слоя;
- размещение радиусных накладок в угловых участках;
- соблюдение постоянного шага при укладке арматуры;
- соединение прутков с перехлестом 0,4-0,65 м в зависимости от их диаметра;
- обеспечение жесткой фиксации соединяемой арматуры.
В зависимости от общего количества участков стыковки прутков определяется метод выполнения работ.
Этот процесс можно разделить на два этапа:
Выкапывания котлована
Этому нужно уделить особое внимание. Прежде всего, нужно правильно провести расчет его периметра
Для того, чтобы все было сделано по стандарту, нужно иметь представление о размерах всего дома и об общем весе конструкции. Размеры можно узнать из готового чертежа, а вес рассчитать с помощью строительного справочника. От общих данных будет зависеть глубина заложения. Также следует учитывать особенности почвы, глубину промерзания, наличие пучинистых и твердых слоев почвы.
Создание металлического каркаса из арматуры нужного диаметра непосредственно в котловане или рядом с ним. Об этом будет рассказано ниже.
Если проект дома и плиты рассчитывается проектировщиками, а бетон поставляется с завода, то на долю строителей перепадает самая ответственная работа – вязка арматуры монолитной плиты фундамента и перекрытия и заливка. Именно качество исполнения закладывает прочность и долговечность конструкции.
Привычным шагом для распределения арматуры под монолитную плиту составляет 150х150 мм или 200х200 мм, однако могут быть отступления от этих размеров в зависимости от требований проектной документации.
Вязку арматуры можно выполнять по всем пересечениям, однако достаточно выполнить ее в шахматном порядке со смещением в разных плоскостях и только по периметру в каждом пересечении.
Особенности ленточного фундамента
Ленточный фундамент хорошо известен даже людям достаточно далеким от строительной сферы в принципе. Это своеобразная лента, выполненная из железобетона, которая располагается по всему периметру дома под его несущими стенами, в том числе перегородками. Отсюда и название — ленточный фундамент. Внутри такой вариант дополнительно армирован. Это позволяет добиваться того, что при сезонных деформациях грунта фундамент не повреждается и продолжает служить долгие годы, выдерживая массу циклов «зима-лето». Чаще всего его применяют при возведении домов из кирпича, деревянных, а также блочных, обычно невысоких, до 3 этажей.
Ленточный фундамент
В зависимости от глубины заложения этот вид фундамента можно разделить на 3 основных группы: незаглубленный, заглубленный и мелкозаглубленный. Также он делится и по способу возведения: бывает сборный, ленточный монолитный и комбинированный — сборно-монолитный.
Самый прочный вариант — ленточный заглубленный, который представляет собой бетонную ленту, находящуюся ниже уровня промерзания грунтов зимой. Он стоит прямо на глубинных слоях грунта, за счет чего без труда выдерживает низкие температуры и так называемое морозное пучение. Но его можно применять только в случае, если грунтовые воды находятся глубоко.
Ленточный заглубленный фундамент
Фундамент мелкозаглубленного типа нужно дополнительно утеплять, но он тоже неплох по всем своим параметрам и прост и дешев в обустройстве. Но для тяжелых строений из блоков или кирпича высотой более 1 этажа он не годится.
Незаглубленный вариант находится прямо на поверхности почвы и даже иногда приподнят над ней. Его выбирают только для легких строений. Однако под таким домом не получится обустроить цокольный этаж либо подвальное помещение.
Достоинства и недостатки ленточного фундамента
Достоинства ленточного фундамента неоспоримы. Он обладает отличными эксплуатационными характеристиками.
- Достаточно прост в монтаже — сделать его можно даже самостоятельно, не прибегая к помощи строителей-профессионалов.
- Он недорогой по сравнению с другими вариантами.
- Такой фундамент не боится пучения грунта, если он правильно обустроен.
- При соблюдении технологии монтажа этот вариант прослужит более 150 лет без ремонта.
- Под домом на ленточном фундаменте легко провести и расположить различные коммуникации.
- Его можно применять даже тогда, когда грунты на участке имеют неравномерную плотность.
- Он прекрасно подходит для строений, расположенных на склонах.
При строительстве ленточного фундамента нужно делать опалубку
Однако у этого фундамента есть и свои минусы. Один из них — трудозатраты. Они достаточно высоки при самостоятельном выполнении работ. Нужно сделать и котлован, и обустроить опалубку, и армировать, вывезти грунт, залить бетон и так далее. Дождаться, пока все хорошенько просохнет, а это минимум месяц. Кроме того, потребуется обустраивать и пол — ленточный фундамент занимает далеко не все пространство под домом и не может служить основанием — нужны перекрытия по грунту.
Чертёж фундамента своими руками
Как уже упоминалось, разработка чертежа ленточного фундамента своими силами – это достаточно сложная, но выполнимая работа. На первоначальном этапе необходимо определить габариты будущего строения, вынести оси всех наружных стен. Затем, к проекту добавляются линии несущих внутренних, массивных перегородок. В этом случае необходимо учитывать необходимость того, чтобы несущие конструкции смогли выдержать вес будущих нагрузок. К ним относятся:
- Облицовочные и отделочные материалы,
- Межэтажные перекрытия.
- Стропильная система.
- Кровля.
- Снег.
После определения несущих нагрузок выполняется расчёт ширины подошвы, глубина залегания и высота конструкции.

Ленточный фундамент свайного типаИсточник sdelai-lestnicu.ru
Глубина залегания
Проект ленточного монолитного фундамента, чертёж которого представлен на изображении, относится к типу свайных. Он подразумевает углубление железобетонных (заводских или собранных на месте) свай и их обвязку единой лентой. Такой тип оснований относится к группе мелкозаглубленных. Это самый недорогой вид ленты, подразумевающий её углубление на 50-60 см. в грунт.

Проект ленточного фундамента, углублённого на 1,5-2 м.Источник sdelai-lestnicu.ru
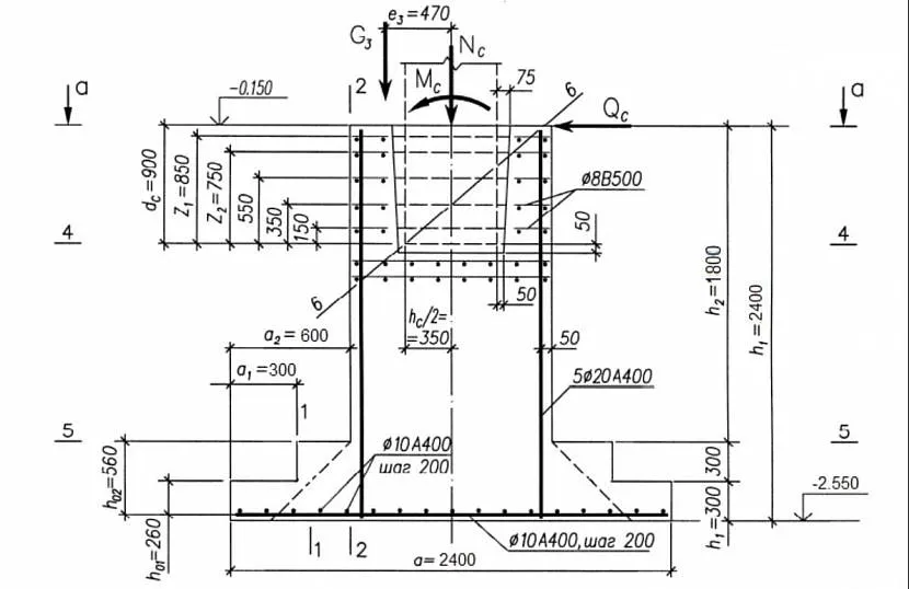
План фундамента ленточного, чертёж которого представлен на следующем фото, приведён как пример заглублённого типа оснований. Значение определяется с учётом всех вышеупомянутых характеристик. Представлен в виде монолитной конструкции, предназначенной для капитальных сооружений, закладывается ниже уровня промерзания грунта. Может быть сборным, собранным их железобетонных фундаментных плит типа ФБС. Второй вариант: монолитный железобетон. В этом случае монтаж осуществляется вязкой металлокаркаса из арматуры и заливкой бетоном.
Подошва
Подошвой ленточного фундамента называют нижнюю часть (подушку), состоящую из нескольких слоёв и предназначенную для выравнивания основания, компенсации возможных нагрузок пучения, замещения проблемных грунтов и дренажа.
Монтаж подошвы может быть выполнен 2 способами:
- Отсыпкой и тщательной трамбовкой слоя песка с последующим заливанием бетона или укладкой ЖБИ плит.
- Отсыпкой и трамбовкой песка с последующей укладкой специальных фундаментных плит типа ФЛ.
Ширина и тип подошвы также отображаются на плане разрабатываемого монолитного фундамента. Чертёж, построенный в отношении устройства из железобетонных плит, должен отражать их количество, размеры и способ укладки.

Чертёж подошвы ленточного Источник studfile.net
Высота
Высота над уровнем грунта – последний габаритный показатель, который отображается на плане фундамента. Ленточный чертёж может показывать разные значения в случае проектирования основания на участке, имеющем перепады высот.

Пример чертежа фундамента с подробным описаниемИсточник kitavtoprom.ru
Строгих требований по возвышению монолитной ленты над грунтом в нормативах не приводится. Однако принято считать минимальным значением величину в 20 см. Максимальное определяется с учётом конкретных требований собственника или застройщика. Например, при обустройстве цокольного этажа, лента может возвышаться на высоту до 1 м.
Что лучше и дешевле: ленточный фундамент или монолитная плита — какой выбрать

В процессе проектирования здания выбор фундамента является одним из самых важных вопросов и вот тут многим приходится долго и мучительно решать, что лучше: монолитная плита или ленточный фундамент.
Еще несколько лет назад такого выбора не было – для индивидуальных малоэтажных сооружений оптимальным вариантом традиционно считался ленточный фундамент, но сегодня все чаще застройщики предпочитают плиту.
Надежный и долговечный фундамент – залог того, что здание прослужит много лет, не потребует ремонта, сохранит свои первоначальные характеристики, выдержит напор внешних негативных факторов. Ленточный фундамент считается самым простым и дешевым в исполнении, надежным и прочным. В то же время, при изучении особенностей и преимуществ монолитного варианта, многие предпочитают именно его.
https://youtube.com/watch?v=_rvagysIz3g
Ниже представлено подробное рассмотрение преимуществ и недостатков обоих видов основания, их сравнение и итоги.
Какой из них лучше
Ставя вопрос о том, какой вариант лучше – плита или ленточный фундамент, нужно понимать, для чего и где создается основание. Сравнение характеристик плиты и ленты некорректно, так как они предназначены для разных задач.
Плита способна свободно плавать на неустойчивых грунтах – там, где лента не даст нужной прочности и здание может попросту деформироваться. Ленточный же фундамент, возведенный в подходящих условиях, намного экономичнее и дешевле заливки плиты.
Какой тип возводится быстрее
В плане скорости изготовления отличаются не столько типы фундамента, сколько виды конструкций. Заливка плиты и ленты бетоном требует выдерживания времени набора прочности материалом – полный срок составляет 28 дней. На это время все работы должны быть прекращены. Кроме того, заливку бетонных конструкций можно осуществлять только в теплую пору.
Если же создается сборный плитный фундамент из готовых железобетонных блоков, сроки строительства намного сокращаются
Немаловажно и то, что сборные конструкции можно монтировать в любое время года
Что касается объема работ, определенными преимуществами обладает плитный фундамент – меньше времени тратится, эффективнее процесс. При выполнении плитного фундамента сразу создается пол на почве, а вес сооружения распределяется равномернее и на большую площадь.
Что дешевле: монолитный или ленточный
Сооружение ленты обходится в несколько раз дешевле, чем плиты. Как правило, при сравнении аналогичных конструкций на одном и том же объекте ленточное основание предполагает меньший объем земляных работ, намного меньше тратится строительных материалов. Финансово ленту монтировать намного дешевле, да и трудозатрат понадобится меньше.
Какой у них срок службы
Фундамент из монолитной железобетонной плиты способен прослужить до 100 лет – по крайней мере, специалисты указывают максимальным именно такой срок. С другой же стороны, фирмы-подрядчики, реализующие различные проекты, дают гарантию на строение от 15 до 30 лет. На данный момент точно подтвержденных данных нет.
Ленточный фундамент изучен намного лучше – множество примеров готовых домов доказывают, что здание на таком основании способно простоять: 50-75 лет для конструкции из ФБС, 30-50 лет для кирпичного фундамента. Если лента залита из бетона, то способна прослужить до 150 лет.
Ленточный фундамент – конструкция, виды, особенности
Наибольшую известность имеет именно ленточный фундамент. Его используют многие строители в качестве основного вида при установке зданий из дерева, кирпича или боков, высота которых не превышает 2-3 этажа. Данный вид основания ценится строителями за следующие его свойства:
- высокие эксплуатационные качества;
- относительную простоту монтажа;
- возможность изготовления своими руками.
В зависимости от расположения ленты различают заглубленный, мелкозаглубленный и незаглубленный ленточный фундамент.

Особенности ленточного фундамента
Независимо от конкретного вида, конструктивно, данный вид строительного основания может быть представлен замкнутой конструкцией трапециевидного или прямоугольного сечения. Располагается ленточный фундамент под всеми стенами дома и несущими внутренними перегородками. Каждый вариант для упрочнения содержит внутри стальные армированные жилы. Это позволяет преодолевать серьезную изгибающую нагрузку, возникающую при весенних деформациях грунта. Преимущества ленточного фундамента перед плитным в простоте и дешевизне.
Заглубленный ленточный фундамент
Выбирая тот или иной вид основания дома необходимо хорошо ориентироваться в основных отличиях каждого из них. Нельзя однозначно выбрать ленточный или плитный фундамент без анализа условий эксплуатации дома, финансовых возможностей будущего владельца и изучения их особенностей.
Заглубленный ленточный фундамент представляет собой бетонную ленту, расположенную ниже уровня, на который почва промерзает в зимний период. Это минимизирует влияние пучения почвы на основание дома, что препятствует растрескиванию и деформации. Использовать этот вид можно лишь при достаточно низком уровне расположения грунтовых вод.
Мелкозаглубленный фундамент
Для построек небольшого веса на спокойных почвах более подходит вид ленточного фундамента, имеющий минимальное заглубление. При выборе плита или ленточный фундамент в этом случае первый вид будет экономически невыгодным как наиболее затратный. Технология установки слабо заглубленного основания проста, не требует большой квалификации работников. Выполнить его своими руками не сложно. Расход основных компонентов смеси также не высок.
В отличие от предыдущего вида мелкозаглубленный вариант часто подвергается серьезному давлению снизу при циклах замерзания-оттаивания почвы. Это может негативно сказаться на целостности конструкции дома и целостности ленты. На таком основании не рекомендуется строить тяжелые строения из кирпича или блоков и количеством этажей более одного. И в этом случае выбор фундамент плитный или лента с небольшим залеганием будет в пользу последнего варианта.
Незаглубленная лента
Данный вариант располагается непосредственно на поверхности почвы или в некоторых случаях даже может быть приподнят над ней. Нецелесообразно делать выбор незаглубленная лента или монолитная плита, так как характеристики данных видов совершенно различаются. Более подробно это будет рассмотрено ниже при знакомстве с плитным видом фундамента и его вариантом, который можно назвать плита на ленточном фундаменте.

Незаглубленный ленточный фундамент
При достаточных геометрических параметрах основания на нем могут возводиться даже вполне массивные строения. В отличие от предыдущих видов грунтовые воды и зимнее пучение не оказывают на него никакого воздействия. Но при таком варианте невозможно построить подвал, цокольный этаж, что приведет и к большим теплопотерям через пол.




































